Оставить заявку
+7 (863) 223-20-99
8 (800) 707-99-68
Звонок бесплатный
0
По запросу

Подшипниковый узел UKP208 ISB

Артикул UKP208ISB
Подшипниковый узел UKP208 ISB
Подшипниковый узел UKP208 ISB
Техническая информация
Цена
2 538,00 руб
Наличие
3 шт.
Внимание: минимальная
сумма заказа - 2500 рублей!!!
Техническая информация
ISB. 
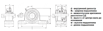
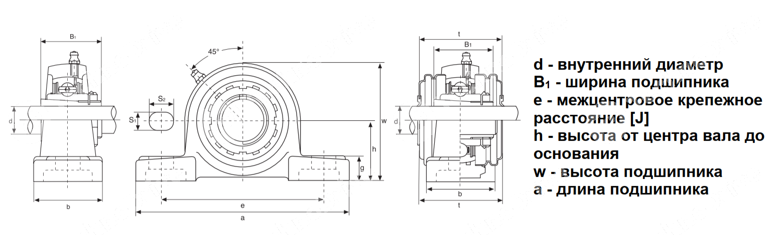
Внутренний диаметр [mm] 35
Ширина подшипника Bi [мм] 46
Материал Чугун
Высота от центра вала до основания [mm] 49,2
Общая длина корпуса [mm] 184
Межцентровое крепежное расстояние [J] 137
Высота [mm] 100
Ширина [мм] 46
Статическая нагрузка C0, Н 16,9
Динамическая нагрузка C, Н 27,6
Диапазон температур от -40° до 100°
Материал подшипника Чугун
Рядность подшипника Однорядный
Крепление винта M14
Корпус P208
T [mm] 69
Толщина лап (фланца) корпуса g 18
b [mm] 54
a [mm] 184
Аналог FAG Альтернативная маркировка подшипника FAG RASEA40-N
Аналог NSK Альтернативная маркировка подшипника NSK UKP208
Вес [кг] 2,068

Узел UKP 208 состоит из радиального подшипника на конической втулке и корпуса в виде арки. Серия UKP считается самой легкой. Есть и другие ряды моделей, но у них могут быть большие габариты. По этой причине данный узел отлично подходит для нормальных условий эксплуатации.

Корпус выполнен из чугуна, который благодаря своим свойствам делает изделие устойчивым к перепадам температуры. Но стоит заметить, что через чур низкие температуры приводят к неравномерному сжатию материала. Это в свою очередь может привести к образованию микротрещин на поверхности материала. 

На нашем сайте вы можете купить подшипниковый узел UKP 208 с доставкой по всей России.

Заказ можно оплатить:

  • Оплата заказа через расчетный счет
  • Электронные платежи

Информация об оплате юридическими лицами и ИП:

Оплата осуществляется посредством перевода денежных средств на расчетный счет ООО «Технодрайв» по выставленному счету.

Условия оплаты – аванс в размере 100%. При заключении договора поставки готовы рассмотреть иные условия оплаты: 50% аванс / 50% по факту поставки товара. Кроме того, мы готовы в индивидуальном порядке рассмотреть отсрочку платежа.

Доставка заказов по всей России.

Отгрузка товара осуществляется ежедневно транспортными компаниями.

Доступен самовывоз со склада – г. Ростов-на-Дону, ул. Вавилова, 68. Время работы склада - с понедельника по пятницу, с 9.00 до 17.00

Осуществляем бесплатную доставку по г. Ростов-на-Дону при заказе от 20000 рублей.

Оставить отзыв


Подшипниковый узел UKP208 ISB Подшипниковый узел UKP208 ISB ISB.
Подшипниковый узел UKP208 ISB
Подшипниковый узел UKP208 ISB