Оставить заявку
+7 (863) 223-20-99
8 (800) 707-99-68
Звонок бесплатный
0
По запросу

Подшипниковый узел UCFL 210 LDI

Артикул 3SUCFL2100D
Страна: Италия
Подшипниковый узел UCFL 210 LDI
Подшипниковый узел UCFL 210 LDI
Сертификаты соответствия стандартам
Дилерский сертификат
Цена
3 184,80 руб
Наличие
Под заказ
Внимание: минимальная
сумма заказа - 2500 рублей!!!
Сертификаты соответствия стандартам
Дилерский сертификат
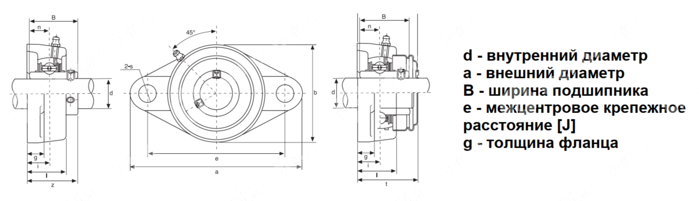
Внутренний диаметр [mm] 50
Материал Чугун
Общая длина корпуса [mm] 197
Межцентровое крепежное расстояние [J] 157
Высота [mm] 115
Статическая нагрузка C0, Н 22135
Динамическая нагрузка C, Н 33345
Диапазон температур от -30°C до +100°C
Тип отверстия Цилиндрическое
Тип исполнения Овальный фланец
Форма корпуса Овальный
Кол-во отверстий 2
Крепление винта M16
Крепление подшипника На винтах
Корпус FL210
Тип наружной обоймы Сферическая
Вес [кг] 2,1

Конструкция узла UCFL 210 монолитна, что позволяет применять его в условиях высокой запыленности. Корпус отлит из чугуна и устойчив к перепадам температуры. Например, чугун не расширяется при нагревании и не сжимается от холода. Это снижает нагрузку на подшипник. Такие характеристики чаще всего актуальны для механизмов по древо- и металлообработке, сельскохозяйственного оборудования и конвейеров. 

Подшипниковый узел UCFL 210 выдерживает большие радиальные и осевые нагрузки в обе стороны и помогает избежать перекосов, которые ускоряют износ приводных деталей. Имеет отверстия и канавку для смазки. Установлен в корпус F фланцевого типа, который комплектуется пресс-маслёнкой.

Заказ можно оплатить:

  • Оплата заказа через расчетный счет
  • Электронные платежи

Информация об оплате юридическими лицами и ИП:

Оплата осуществляется посредством перевода денежных средств на расчетный счет ООО «Технодрайв» по выставленному счету.

Условия оплаты – аванс в размере 100%. При заключении договора поставки готовы рассмотреть иные условия оплаты: 50% аванс / 50% по факту поставки товара. Кроме того, мы готовы в индивидуальном порядке рассмотреть отсрочку платежа.

Доставка заказов по всей России.

Отгрузка товара осуществляется ежедневно транспортными компаниями.

Доступен самовывоз со склада – г. Ростов-на-Дону, ул. Вавилова, 68. Время работы склада - с понедельника по пятницу, с 9.00 до 17.00

Осуществляем бесплатную доставку по г. Ростов-на-Дону при заказе от 20000 рублей.

Оставить отзыв


Подшипниковый узел UCFL 210 LDI Подшипниковый узел UCFL 210 LDI LDI
Подшипниковый узел UCFL 210 LDI
Подшипниковый узел UCFL 210 LDI