0
	
	
																							
		
							По запросу
			
		
	
Вход в личный кабинет
																		
																				
				Выбрать регион 
				Выберите город 
			
			Подшипниковый узел UKP 208 + H 2308 LDI
 
                                     
                                     
                             
                            Техническая информация
	
Сертификаты соответствия стандартам
	
	Дилерский сертификат
	
         
                Страна: Италия
		
        Артикул
                    
						3S0UKP2080D                    
                Цена
            
								                    
						4 899,60					 руб
				            
			
        Наличие
        
										2 шт.                
			        Внимание: минимальная
сумма заказа - 2500 рублей!!!
        сумма заказа - 2500 рублей!!!
Техническая информация
	
Сертификаты соответствия стандартам
	
	Дилерский сертификат
	
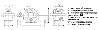
    | Внутренний диаметр [mm] | 35 | 
| Внешний диаметр D [мм] | 100 | 
| Материал | Чугун | 
| Высота от центра вала до основания [mm] | 49,2 | 
| Общая длина корпуса [mm] | 184 | 
| Межцентровое крепежное расстояние [J] | 137 | 
| Высота [mm] | 100 | 
| Статическая нагрузка C0, Н | 16910 | 
| Динамическая нагрузка C, Н | 27645 | 
| Диапазон температур | от -40° до +100° | 
| Тип отверстия | Цилиндрическое | 
| Материал подшипника | Чугун | 
| Тип исполнения | На лапах | 
| Форма корпуса | На лапах | 
| Кол-во отверстий | 2 | 
| Крепление винта | M14 | 
| Крепление подшипника | На винтах | 
| Корпус | P208 | 
| Тип наружной обоймы | Сферическая | 
| Вес [кг] | 1,99 | 
Заказ можно оплатить:
- Оплата заказа через расчетный счет
- Электронные платежи
Информация об оплате юридическими лицами и ИП:
Оплата осуществляется посредством перевода денежных средств на расчетный счет ООО «Технодрайв» по выставленному счету.
Условия оплаты – аванс в размере 100%. При заключении договора поставки готовы рассмотреть иные условия оплаты: 50% аванс / 50% по факту поставки товара. Кроме того, мы готовы в индивидуальном порядке рассмотреть отсрочку платежа.
Доставка заказов по всей России.
Отгрузка товара осуществляется ежедневно транспортными компаниями.
Доступен самовывоз со склада – г. Ростов-на-Дону, ул. Вавилова, 68. Время работы склада - с понедельника по пятницу, с 9.00 до 17.00
Осуществляем бесплатную доставку по г. Ростов-на-Дону при заказе от 20000 рублей.
 
				 
													 
													 
													 
													 
													 
													 
													 
													 
													 
													 
													 
													 
				 
													 
													 
													 
													 
													 
													 
													 
				 
													 
													 
				 
													 
				 
													 
													 
													 
													 
													 
													 
													 
													 
													 
													 
													 
				 
													 
													 
													 
													 
													 
													 
													 
													 
				 
													 
													 
													 
													 
													 
				 
													 
													 
													 
													 
													 
													 
				 
													 
													 
													 
													 
				 
				 
				 
													 
													 
													 
				 
													 
													 
													 
				 
													 
													 
					 
					 
					 
					 
					 
					 
					 
					 
					 
					 
					 
				 
				